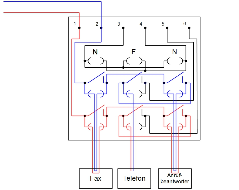
NFN mit Geräten2

Schreibe einen Kommentar

*